搖臂鉆床適用于單件或批量生產帶有多孔的大型零件的孔加工,是一般機械加工車間常用的機床。由于其原有控制系統采用繼電器——接觸器控制方式,電路接線復雜,觸點多。經過長期使用后,各個地方的接線老化,造成故障率高,故障排查困難,常常影響企業的正常生產。由于PLC具有可靠性高,環境適應性強,使用方便,維護簡單等優點。因此,利用PLC對搖臂鉆床的繼電器控制電路進行改造,有助于提高設備的可靠性、使用率。
1 Z3040X16型搖臂鉆床的電氣控制
(1)采用3臺電機進行拖動,主電機M1(4.0kW),搖臂松夾電機(2.2 kW),搖臂上下電機(2.2 kW),3臺電機均是小功率電機,均采用直接啟動控制。
(2)控制電路中設有主電機啟動/停止,此控制未進入PLC,直接采用的啟動和停止按鈕進行控制的,由于此電路中未有任何連鎖控制,無需進入PLC中進行控制,既節約了I/O點,又減少了故障排查點。
(3)搖臂升/降動作按照“搖臂松開—升/降—搖臂夾緊”順序進行,由搖臂松開行程開關SQ2與夾緊行程開關SQ3來控制。在搖臂夾緊前,由時間繼電器KT1延時1~3s后再夾緊。
(4)立柱和主軸箱的放松、夾緊可以單獨操作,也可以同時進行,由轉換開關SA、松開按鈕SB5和夾緊按鈕SB6來控制。利用時間繼電器KT2的斷電延時斷開觸點、KT3的通電延時閉合觸點,實現電磁鐵YA1、YA2相對于液壓泵電機接觸器提前吸合、延時斷開的控制。
(5)主電機M1和液壓泵電機M3分別設有熱繼電器FR1、FR2作長期過載保護。
2 PLC選擇
2.1 確定I/O點數
在改造中盡可能保留系統原有的控制功能,以便能達到搖臂鉆最好的工作效果,發揮其最大的工作效率,根據原有的控制電路來計算I/O點數。其中:按鈕6個(考慮節約點數,有兩個未進入PLC),行程開關4個,即實際輸入點數為8個;接觸器5個(考慮節約點數,有一個未進入PLC),中間繼電器1個,即實際輸出點數為5個。
2.2 選擇PLC機型
根據確定的I/O點數,選擇德國西門子公司生產的S7-200系列產品。此PLC的型號為CPU222——6ES7 212-1BB23-0XB0,輸入點數為8個,輸出點數為6個,繼電器輸出,使用電源為85至264VAC(47至63Hz)。
3 I/O地址分配及接線圖
I/O分配表見表一。
根據表一設計I/O接線圖,如圖1。其中接觸器和中間繼電器的電壓等級都進行了調整,都更換了新的電氣元件,電壓等級均為AC220V,電壓等級統一,便于日常維護。
1 Z3040X16型搖臂鉆床的電氣控制
(1)采用3臺電機進行拖動,主電機M1(4.0kW),搖臂松夾電機(2.2 kW),搖臂上下電機(2.2 kW),3臺電機均是小功率電機,均采用直接啟動控制。
(2)控制電路中設有主電機啟動/停止,此控制未進入PLC,直接采用的啟動和停止按鈕進行控制的,由于此電路中未有任何連鎖控制,無需進入PLC中進行控制,既節約了I/O點,又減少了故障排查點。
(3)搖臂升/降動作按照“搖臂松開—升/降—搖臂夾緊”順序進行,由搖臂松開行程開關SQ2與夾緊行程開關SQ3來控制。在搖臂夾緊前,由時間繼電器KT1延時1~3s后再夾緊。
(4)立柱和主軸箱的放松、夾緊可以單獨操作,也可以同時進行,由轉換開關SA、松開按鈕SB5和夾緊按鈕SB6來控制。利用時間繼電器KT2的斷電延時斷開觸點、KT3的通電延時閉合觸點,實現電磁鐵YA1、YA2相對于液壓泵電機接觸器提前吸合、延時斷開的控制。
(5)主電機M1和液壓泵電機M3分別設有熱繼電器FR1、FR2作長期過載保護。
2 PLC選擇
2.1 確定I/O點數
在改造中盡可能保留系統原有的控制功能,以便能達到搖臂鉆最好的工作效果,發揮其最大的工作效率,根據原有的控制電路來計算I/O點數。其中:按鈕6個(考慮節約點數,有兩個未進入PLC),行程開關4個,即實際輸入點數為8個;接觸器5個(考慮節約點數,有一個未進入PLC),中間繼電器1個,即實際輸出點數為5個。
2.2 選擇PLC機型
根據確定的I/O點數,選擇德國西門子公司生產的S7-200系列產品。此PLC的型號為CPU222——6ES7 212-1BB23-0XB0,輸入點數為8個,輸出點數為6個,繼電器輸出,使用電源為85至264VAC(47至63Hz)。
3 I/O地址分配及接線圖
I/O分配表見表一。
表一 I/O分配表
根據表一設計I/O接線圖,如圖1。其中接觸器和中間繼電器的電壓等級都進行了調整,都更換了新的電氣元件,電壓等級均為AC220V,電壓等級統一,便于日常維護。

圖1 I/O接線圖
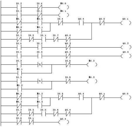
4 PLC程序設計
根據原有繼電器控制電路,加以分析改進,但仍保持原有的控制功能,編制梯形圖,如圖2。

圖2 梯形圖
5 改造中必須要注意的幾個問題
(1)選擇PLC機型時,要考慮低價格,高性能。
(2)原有繼電器控制電路比較復雜,如線路老化后,故障點太多,不便查詢,而利用PLC控制時,不但大大提高了搖臂鉆床電氣控制系統的可靠性和抗干擾能力,而且大大簡化和減少了維修維護的工作量,使用效果良好。#p#分頁標題#e#
6 結束語
標牌制作 利用PLC對搖臂鉆床控制系統進行改造后,大大簡化了控制線路,維護起來十分方便,而且降低了設備運行的故障率,大大提高了設備運行的穩定性及使用率。我廠的電氣維護人員嘗到了甜頭,要不以前一提到維修搖臂鉆床,就是一頭污水,無從下手,自從改造完成后,再也沒遇到此類問題,搖臂鉆床再也沒出現過影響生產、停滯狀態的情況。建議搖臂鉆床的生產廠商,也應該一改往常的設計思路,避免以后在生產過程中出現類似的問題。
相關文章
- 2021-08-30電氣CAD實例教程AutoCAD 2010中文版 [左昉 等編著] 20
- 2021-08-24精通AutoCAD 2013電氣設計 [李波 主編] 2013年PDF下載
- 2021-08-23零基礎學AutoCAD 2012電氣制圖工程應用 [張立富,陳剛,彭
- 2021-08-23輕松學AutoCAD 2015電氣工程制圖升級版 [李波 編著] 2
- 2021-08-20AutoCAD 2012電氣設計中文版 [梁玲 編著] 2012年PDF下
- 2021-08-16詳解AutoCAD 2012電氣設計 [李瑞,胡仁喜 編著] 2012年P
- 2021-08-16詳解AutoCAD 2014電氣設計 [趙月飛,閆聰聰 編著] 2014
- 2021-08-12AutoCAD 2012電氣設計中文版 [梁玲 編著] 2012年PDF下
- 2021-08-10中文版AutoCAD 2013電氣設計 [張濤,劉晶晶 編著] 2013
- 2021-08-08中文版AutoCAD 2014電氣設計 [高淑娟 編著] 2014年PDF