一、概述
冷沖模壓力中心是沖裁力合力的作用點,準確求解壓力中心對于冷沖模的正常工作至關重要。
在AutoCAD中,常用的求壓力中心的方法是先用pedit命令將沖裁邊編輯成多義線,再向兩邊偏移微小距離,運用一定的編輯方法圍繞沖裁邊形成一個狹窄封閉區域,用region命令編輯成面域,再用AutoCAD的Massprop命令求出面域質心,此質心接近壓力中心。對于復雜沖裁件,上述方法操作起來比較繁瑣,并且用Pedit命令編輯時要求線與線之間必須完全連接(特別是當從其他繪圖軟件轉換過來的圖形連接不是很好時,這點影響較大)。更為重要的是,每一次求解壓力中心都得進行類似的繁瑣工作。
基于上述原因,筆者依據最基本,也是最準確的計算法,運用AutoCAD2000下VBA編程求解沖模的壓力中心,再將其做成按鈕,置于查詢(Inquiry)工具條上,即可在所畫圖形上直接求解壓力中心。程序基本思路為:先選擇代表沖裁邊的圖元對象,再逐一判斷是何種對象,從而轉入相應對象的計算處理。根據計算法原理,將此對象的壓力中心求出,并將它們當作一個對象,與下一個對象計算,求出新的壓力中心,直至處理完所有對象。最后求出的壓力中心即為整個沖模的壓力中心。
二、程序輸入及按鈕制作
(1)打開AutoCAD2000,選擇工具菜單下Visual basic編輯器,輸入程序并存為Code.dvb文件(其文件位置假設為D:presscentercode.dvb)。完整程序參見http://www.icad.com.cn/list.asp?boardid=11
(2)選擇AutoCAD工具菜單下的加載應用程序,在Startup suite中加入保存的Code.dvb文件,關閉各對話框。以后在啟動AutoCAD時,將自動加載此工程文件。
(3)打開視圖菜單下工具欄(Toolbar)對話框,選取查詢工具條,則查詢工具條出現在界面上。接著點Customize按鈕,出現Customize toolbar對話框,在此對話框的Categories條目中選Custom,下面將出現兩個空白按鈕,其中一個帶小三角(可用鼠標在小三角前點擊,即可發現是兩個按鈕),將第一個空白按鈕(不帶小三角)拖至查詢工具欄中,查詢工具欄中出現一個空白按鈕,此時按Custmize toolbar對話框的Close按鈕。
(4)在Toolbar對話框激活的情況下,在剛加入的空白按鈕上按鼠標右鍵,出現Button properties對話框,在Name 欄輸入“壓力中心”字樣,在Macro欄輸入^c^c-vbarun D:/presscenter/code.dvb!ThisDrawing.presscenter (注意:vbarun命令前有小橫線,后面要加空格,另外,路徑必須是Code.dvb文件保存的路徑,路徑中反斜桿的方向與一般的路徑表示方向相反)。再點Edit按鈕,編輯按鈕的圖樣,最后按Close按鈕,并關閉各對話框,就完成了按鈕的制作。以后在打開AutoCAD時,此按鈕和其他工具欄按鈕一樣可隨時起作用了。
三、示例及操作
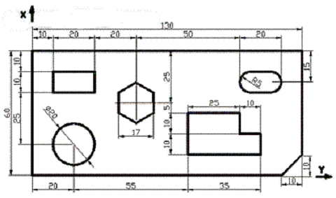
(1)在AutoCAD中畫出如圖1所示的多凸模沖裁件,此工件是在矩形坯料上同時沖出5個不同形狀的孔,并切去一個10x45°的角。
(2)點選制作的壓力中心按鈕,出現Select objects:提示,根據提示在AutoCAD圖形界面上選五個孔及10x45°斜邊(注意不選外沿的四條邊),回車,則自動求出壓力中心點,其坐標值為(64,28.5)。

圖1 多凸模沖裁件
四、說明
(1)在選擇沖裁邊時,注意不要選上諸如中心線,尺寸線等不是沖裁邊的對象。
(2)在選擇沖裁邊前,一定要將用多義線、矩形、多邊形命令畫的圖元用炸開命令(Explode)炸開成單獨圖元。 #p#分頁標題#e#
(3)程序中的注釋在程序錄入時可忽略。
(4)以上程序在Windows2000和AutoCAD2000上調試通過,由于是直接計算,故結果準確。
(5)如果是局域網用戶,請先在Administrator用戶下運行一次,再轉入標準用戶使用。
(6)此種方法前期工作比較復雜(如程序錄入、按鈕制作等),但完成以后求解壓力中心的操作會非常簡單,在實際應用中效果很好。
(7)按鈕制作在不同Autodesk版本下稍有不同,請參閱相關技術資料。
五、應用效果
由于紡織機械上鈑金件非常多,特別是湖北宜昌紡織機械有限公司新開發的玻璃纖維捻線機、直捻機、電錠倍捻機基本上是由鈑金件組成,因此,冷沖模設計任務越來越多,依靠原來的手工方法計算不僅計算任務繁重,而且很容易計算錯誤。校對的人也要進行驗算,如果驗算結果不一致,都得反復計算。因此,筆者利用計算機直接在圖紙上求解壓力中心,極大的降低了設計人員的工作強度,并且比手工方法計算得更準確,從而對冷沖模的壽命更有好處。另外,將按鈕直接做在AUTOCAD的工具條上,畫完圖后,直接選擇沖裁邊計算壓力中心,非常方便。在近兩年的實際應用中,取得了很好的效果。
相關文章
- 2021-09-08BIM技術叢書Revit軟件應用系列Autodesk Revit族詳解 [
- 2021-09-08全國專業技術人員計算機應用能力考試用書 AutoCAD2004
- 2021-09-08EXCEL在工作中的應用 制表、數據處理及宏應用PDF下載
- 2021-08-30從零開始AutoCAD 2014中文版機械制圖基礎培訓教程 [李
- 2021-08-30從零開始AutoCAD 2014中文版建筑制圖基礎培訓教程 [朱
- 2021-08-30電氣CAD實例教程AutoCAD 2010中文版 [左昉 等編著] 20
- 2021-08-30電影風暴2:Maya影像實拍與三維合成攻略PDF下載
- 2021-08-30高等院校藝術設計案例教程中文版AutoCAD 建筑設計案例
- 2021-08-29環境藝術制圖AutoCAD [徐幼光 編著] 2013年PDF下載
- 2021-08-29機械AutoCAD 項目教程 第3版 [繆希偉 主編] 2012年PDF