
數控機床是一種技術密集度及自動化程度很高的機電一體化加工設備,是綜合應用計算機、自動控制、自動檢測及精密機械等高新技術的產物。隨著數控機床的發展與普及,現代化企業對于懂得數控加工技術、能進行數控加工編程的技術人才的需求量必將不斷增加。數控車床是目前使用最廣泛的數控機床之一。本文就數控車床零件加工中的程序編制問題進行探討。
一、編程方法
數控編程方法有手工編程和自動編程兩種。手工編程是指從零件圖樣分析工藝處理、數據計算、編寫程序單、輸入程序到程序校驗等各步驟主要有人工完成的編程過程。它適用于點位加工或幾何形狀不太復雜的零件的加工,以及計算較簡單,程序段不多,編程易于實現的場合等。但對于幾何形狀復雜的零件(尤其是空間曲面組成的零件),以及幾何元素不復雜但需編制程序量很大的零件,由于編程時計算數值的工作相當繁瑣,工作量大,容易出錯,程序校驗也較困難,用手工編程難以完成,因此要采用自動編程。所謂自動編程即程序編制工作的大部分或全部有計算機完成,可以有效解決復雜零件的加工問題,也是數控編程未來的發展趨勢。同時,也要看到手工編程是自動編程的基礎,自動編程中許多核心經驗都來源于手工編程,二者相輔相成。
二、編程步驟
拿到一張零件圖紙后,首先應對零件圖紙分析,確定加工工藝過程,也即確定零件的加工方法(如采用的工夾具、裝夾定位方法等),加工路線(如進給路線、對刀點、換刀點等)及工藝參數(如進給速度、主軸轉速、切削速度和切削深度等)。其次應進行數值計算。絕大部分數控系統都帶有刀補功能,只需計算輪廓相鄰幾何元素的交點(或切點)的坐標值,得出各幾何元素的起點終點和圓弧的圓心坐標值即可。最后,根據計算出的刀具運動軌跡坐標值和已確定的加工參數及輔助動作,結合數控系統規定使用的坐標指令代碼和程序段格式,逐段編寫零件加工程序單,并輸入CNC裝置的存儲器中。
三、典型實例分析
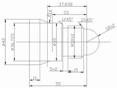
數控車床主要是加工回轉體零件,典型的加工表面不外乎外圓柱、外圓錐、螺紋、圓弧面、切槽等。例如,要加工形狀如圖所示的零件,采用手工編程方法比較合適。由于不同的數控系統其編程指令代碼有所不同,因此應根據設備類型進行編程。以西門子802S數控系統為例,應進行如下操作。
(1)確定加工路線
按先主后次,先精后粗的加工原則確定加工路線,采用固定循環指令對外輪廓進行粗加工,再精加工,然后車退刀槽,最后加工螺紋。
(2)裝夾方法和對刀點的選擇
采用三爪自定心卡盤自定心夾緊,對刀點選在工件的右端面與回轉軸線的交點。
(3)選擇刀具
根據加工要求,選用四把刀,1號為粗加工外圓車刀,2號為精加工外圓車刀,3號為切槽刀,4號為車螺紋刀。采用試切法對刀,對刀的同時把端面加工出來。
(4)確定切削用量
車外圓,粗車主軸轉速為500r/min,進給速度為0.3mm/r,精車主軸轉速為800r/min,進給速度為0.08mm/r,切槽和車螺紋時,主軸轉速為300r/min,進給速度為0.1mm/r。
(5)程序編制
確定軸心線與球頭中心的交點為編程原點,零件的加工程序如下:
主程序
JXCP1.MPF
N05 G90 G95 G00 X80 Z100 (換刀點)#p#分頁標題#e#
N10 T1D1 M03 S500 M08 (外圓粗車刀)
-CNAME=“L01”
R105=1 R106=0.25 R108=1.5 (設置坯料切削循環參數)
R109=7 R110=2 R111=0.3 R112=0.08
N15 LCYC95 (調用坯料切削循環粗加工)
N20 G00 X80 Z100 M05 M09
N25 M00
N30 T2D1 M03 S800 M08 (外圓精車刀)
N35 R105=5 (設置坯料切削循環參數)
N40 LCYC95 (調用坯料切削循環精加工)
N45 G00 X80 Z100 M05 M09
N50 M00
N55 T3D1 M03 S300 M08 (切槽車刀,刀寬4mm)
N60 G00 X37 Z-23
N65 G01 X26 F0.1
N70 G01 X37
N75 G01 Z-22
N80 G01 X25.8
N85 G01 Z-23
N90 G01 X37
N95 G00 X80 Z100 M05 M09
N100 M00
N105 T4D1 M03 S300 M08 (三角形螺紋車刀)
R100=29.8 R101=-3 R102=29.8 (設置螺紋切削循環參數)
R103=-18 R104=2 R105=1 R106=0.1
R109=4 R110=2 R111=1.24 R112=0
R113=5 R114=1
N110 LCYC97 (調用螺紋切削循環)
N115 G00X80 Z100 M05 M09
N120 M00
N125 T3D1 M03 S300 M08 (切斷車刀,刀寬4mm)
N130 G00 X45 Z-60
N135 G01 X0 F0.1
N140 G00 X80 Z100 M05 M09
N145 M02
子程序
L01.SPF
N05 G01X0 Z12
N10 G03 X24 Z0 CR=12
N15 G01 Z-3
N20 G01 X25.8
N25 G01 X29.8 Z-5
N30 G01 Z-23
N35 G01 X33
N40 G01 X35 Z-24
N45 G01 Z-33
N50 G02 X36.725 Z-37.838 CR=14
N55 G01 X42 Z-45
N60 G01 Z-60
N65 G01 X45
N70 M17
四、結束語
要實現數控加工,編程是關鍵。本文雖然只對一例數控車床加工零件的進行了編程分析,但它具有一定的代表性。由于數控車床可以加工普通車床無法加工的復雜曲面,加工精度高,質量容易保證,發展前景十分廣闊,因此掌握數控車床的加工編程技術尤為重要。
相關文章
- 2021-09-08BIM技術叢書Revit軟件應用系列Autodesk Revit族詳解 [
- 2021-09-08全國專業技術人員計算機應用能力考試用書 AutoCAD2004
- 2021-09-08EXCEL在工作中的應用 制表、數據處理及宏應用PDF下載
- 2021-08-30從零開始AutoCAD 2014中文版機械制圖基礎培訓教程 [李
- 2021-08-30從零開始AutoCAD 2014中文版建筑制圖基礎培訓教程 [朱
- 2021-08-30電氣CAD實例教程AutoCAD 2010中文版 [左昉 等編著] 20
- 2021-08-30電影風暴2:Maya影像實拍與三維合成攻略PDF下載
- 2021-08-30高等院校藝術設計案例教程中文版AutoCAD 建筑設計案例
- 2021-08-29環境藝術制圖AutoCAD [徐幼光 編著] 2013年PDF下載
- 2021-08-29機械AutoCAD 項目教程 第3版 [繆希偉 主編] 2012年PDF