機械工程CAD制圖規則
Mechanical engineering drawings rules of CAD
GB/T14665-1998 代替GB/T14665-93
1.范圍
本標準規定了機械工程中用計算機輔助設計(以下簡稱CAD)時的制圖規則。
本標準適用于在計算機及其處圍設備中進行顯示、繪制、打印的機械工程圖樣及有關技術文件。
2.引用標準
下列標準所包含的條文,通過在本標準中引用而構成為本標準的條文。本標準出版時,所示版本均為有效。所有標準都會被修訂,使用本標準的各方應探討使用下列標準最新版本的可能性。
GB/T 4458.4-84 機械制圖 尺寸注法
GB/T 10609.4-89 技術制圖 對縮微復制原件的要求
GB/T 13362.4-92 機械制圖用計算機信息交換 常用長仿宋矢量字體、代(符)號
GB/T 13362.5-92 機械制圖用計算機信息交換 常用長仿宋矢量字體、代(符)號 數據集
GB/T 14691-93 技術制圖 字體
GB/T 17450-1998 技術制圖 圖線
3.基本原則
3.1 凡在計算機及其外圍設備中繪制機械工程圖樣時,如涉及本標準中未規定的內容,應符合有關標準和規定。
3.2 在機械工程制圖中用CAD繪制的機械工程圖樣,首先應考慮表達準確,看圖方便。在完整、清晰、準確地表達機件各部分形狀的前提下,力求制圖簡便。
3.3 用CAD繪制機械圖樣時,盡量采用CAD新技術。
4.圖線
在機械工程的CAD制圖中,所用圖線,除按照以下的規定外,還應遵守GB/T17450中的規定。
4.1 圖線組別
為了便于機械工程的CAD制圖需要,將GB/T17450中所規定的8種線型分為以下幾組,見表1。一般優先采用第4組。
表1
|
組別 |
1 |
2 |
3 |
4 |
5 |
一般用途 |
|
線寬 |
2.0 |
1.4 |
1.0 |
0.7 |
0.5 |
粗實線、粗點畫線 |
|
1.0 |
0.7 |
0.5 |
0.35 |
0.25 |
細實線、波浪線、雙折線、虛線、細點畫線、雙點畫線 |
4.2 圖線的結構
4.2.1 雙折線
4.2.1.1 雙折線的尺寸和表示見圖1、圖2、圖3。

4.2.1.2 計算雙折線各部分尺寸的公式
雙折線的完整長度:l1=l0+10d
在一條雙折線內Z形的數目:n=l1/80+1(一般圓整,l1<40 n=1)
兩個Z形之間的線段長度:l2=l1/n-7.5d
在線的兩端的線段長:
當有兩個或多個Z形時 l3=l2/2
當只有一個Z形時 l3=(l1-7.5d)/2
l0<=10d,Z形的配置如圖3所示。
4.2.1.3 舉例
l0=125,d=0.25
l1=125+2.5=127.5
n=127.5/80+1=2.594(圓整為3)
l2=127.5/3-(7.5*0.25)=40.625
l3=40.625/2=20.313
4.2.2 虛線(F型線)
4.2.2.1 虛線的尺寸和表示見圖4、圖5。


4.2.2.2 計算虛線各部分尺寸的公式
虛線的全長:l1=l0
一條虛線內短畫數目:n=(l0-12d)/15d (一般圓整)
短畫的長度:l2=(l1-3dn)/(n+1)
虛線的最小長度:l1min=l0min=27d(2條短畫12,1個間隔3d)
如果在畫虛線時長度小于l1=27d,可以采用將各部分尺寸放大的形式。
4.2.2.3 舉例
l1=125,d=0.35
n=(125-4.2)/5.25=23.01 (圓整為23)
l2=(125-24.15)/24=4.202
允許按固定的短畫(12d)畫線,此時線的一端可能是較短或較長的短畫。
4.2.3 點畫線(G型線、J型線)
4.2.3.1 點畫線的尺寸和表示見圖6、圖7。


4.2.3.2 計算點畫線各部分尺寸的公式
點畫線的全長:l1=l0+24d (在可見輪廓的兩端線條要延伸出來)
在點畫線全長內點畫線段的數目:n=(l1-24d)/30.5d (一般圓整)
長畫的長度:l3=(l1-6.5dn)/(n+1)
點畫線的最小長度:l1min=54.5d
4.2.3.3 舉例
l0=125,d=0.25
l1=125+6=131
n=(131-6)/7.625=16.393 (圓整為16)
l3=(131-26)/17=6.176
點畫線小于l1min=35.5d時,可畫成細實線。
4.2.4 雙點畫線(K型線)
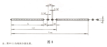
4.2.4.1 雙點畫線的尺寸和表示見圖8、圖9。


4.2.4.2 計算雙點畫線各部分尺寸的公式
雙點畫線的長度:l1=l0-x
一條雙點畫線內雙點畫線段的數目:n=(l1-24d)/34d (一般圓整)
長畫的長度:l3=(l1-10dn)/(n+1)
雙點畫線的最小長度:l1min=58d
4.2.4.3 舉例
l0=128,d=0.35,x/2=1.5
l1=128-3=125
n=(125-8.4)/11.9=9.798 (圓整為10)
l3=(125-35)/11=8.182
4.3重合圖線的優先順序
當兩個以上不同類型的圖線重合時,應遵守以下的優先順序:
(1)可見輪廓線和棱線(粗實線,A型線)
(2)不可見輪廓線和棱線(虛線,F型線)
(3)剖切平面跡線(細點畫線,G型線)
(4)軸線和對稱中心線(細點畫線,G型線)
(5)假想輪廓線(雙點畫線,K型線)
(6)尺寸界線和分界線(細實線,B型線)
4.4 非連續線的畫法
4.4.1 相交線
圖線應盡量相交在線段上。繪制圓時,應畫出圓心符號,見圖10。

4.4.2 接觸與連接線和轉彎線的畫法
圖線在接觸與連接或轉彎時應盡可能在線段上相連,見圖11。

4.5 圖線顏色
屏幕上顯示圖線,一般應按表2中提供的顏色顯示,并要求相同類型的圖線應采用同樣的顏色。
|
圖 線 類 型 |
|
||
|
粗實線 |
|
A |
綠色 |
|
細實線 |
|
B |
白色 |
|
波浪線 |
|
C |
|
|
雙折線 |
|
D |
|
|
虛線 |
|
F |
黃色 |
|
細點畫線 |
|
G |
紅色 |
|
粗點畫線 |
|
I |
棕色 |
|
雙點畫線 |
|
K |
fen色 |
5. 字體
機械工程的CAD制圖所使用的字體,應按GB/T13362.4~13362.5中的要求,做到字體端正、筆畫清楚,排列整齊、間隔均勻。
5.1 數字
一般應以斜體輸出。
5.2 小數點
小數點進行輸出時,應占一個字位,并位于中間靠下處。
5.3 字母
一般應以斜體輸出。
5.4 漢字
漢字在輸出時一般采用正體,并采用國家正式公布和推行的簡化字。
5.5 標點符號
標點符號應按其含義正確使用,除省略號和破折號為兩個字位外,其余均為一個符號一個字位。
5.6 字體與圖紙幅面之間的選用關系參見表3。
表3
|
圖幅 字體h |
A0 |
A1 |
A2 |
A3 |
A4 |
|
漢字 |
5 |
3.5 |
|||
|
字母與數字 |
|||||
|
h=漢字、字母和數字的高度 |
|||||
5.7 字體的最小字(詞)距、行距以及間隔線或基準線與書寫字體的最小距離見表4
表4
|
字 體 |
最 小 距 離 |
|
|
漢字 |
字距 |
1.5 |
|
行距 |
2 |
|
|
間隔線或基準線與漢字的間距 |
1 |
|
|
字母與數字 |
字符 |
0.5 |
|
詞距 |
1.5 |
|
|
行距 |
1 |
|
|
間隔線或基準線與字母、數字的間距 |
1 |
|
|
當漢字與字母、數字混合使用時,字體的最小字距、行距等應根據漢字的規定使用。 |
||
6. 尺寸線的終端形式
機械工程的CAD制圖中所使用的尺寸線的終端形式(箭頭)有如下幾種供選用,其具體尺寸比例一般參照GB4458.4中的有關規定,見圖12。

6.1 在圖樣中一般按實心箭頭、開口箭頭、空心箭頭、斜線的順序選用。
6.2 當尺寸線的終端采用斜線時,尺寸線與尺寸界線必須互相垂直。
6.3 同一張圖樣中一般只采用一種尺寸線終端的形式。當采用箭頭位置不夠時,允許用圓點或斜線代替箭頭,見圖13。

7. 圖形符號的表示
在機械工程的CAD制圖中,所用到的圖形符號,應嚴格遵守有關標準或規定的要求。
7.1 第一角畫法和第三角畫法的識別圖形符號表示,見表5。
表5
|
圖形符號 |
說 明 |
|
|
第一角畫法的圖形符號表示 |
|
|
第三角畫法的圖形符號表示 |
7.2 圓心符號用細實線繪制,其長短一般在12d左右選用(d為細實線寬度),見圖14。
+
圖14
8. 圖樣中各種線型在計算機中的分層
圖樣中的各種線型在計算機中的分層標識可參照表6的要求。
表6
|
標識號 |
描 述 |
圖 例 |
線型(按GB/T17450) |
|
01 |
粗實線剖切面的粗剖切線 |
|
A |
|
02 |
細實線 |
|
B |
|
03 |
粗虛線 |
|
E |
|
04 |
細虛線 |
|
F |
|
05 |
細點畫線 |
|
G |
|
06 |
粗點畫線 |
|
J |
|
07 |
細雙點畫線 |
|
K |
|
08 |
尺寸線,投影連線,尺寸終端與符號細實線 |
|
|
|
09 |
參考圓,包括引出線和終端(如箭頭) |
|
|
|
10 |
剖面符號 |
|
|
|
11 |
文本(細實線) |
|
ABCD |
|
12 |
尺寸值和公差 |
|
423±1 |
|
13 |
文本(粗實線) |
|
KLMN |
|
14、15、16 |
用戶選用 |
相關文章
- 2021-09-08BIM技術叢書Revit軟件應用系列Autodesk Revit族詳解 [
- 2021-09-08全國專業技術人員計算機應用能力考試用書 AutoCAD2004
- 2021-09-08EXCEL在工作中的應用 制表、數據處理及宏應用PDF下載
- 2021-08-30從零開始AutoCAD 2014中文版機械制圖基礎培訓教程 [李
- 2021-08-30從零開始AutoCAD 2014中文版建筑制圖基礎培訓教程 [朱
- 2021-08-30電氣CAD實例教程AutoCAD 2010中文版 [左昉 等編著] 20
- 2021-08-30電影風暴2:Maya影像實拍與三維合成攻略PDF下載
- 2021-08-30高等院校藝術設計案例教程中文版AutoCAD 建筑設計案例
- 2021-08-29環境藝術制圖AutoCAD [徐幼光 編著] 2013年PDF下載
- 2021-08-29機械AutoCAD 項目教程 第3版 [繆希偉 主編] 2012年PDF